Parker Denison Hydraylic M4C/M4D/M4E Vane Motor
Parker Denison Denison Hydraylic M4C/M4D/M4E Serie Motor para aplicación industrial
Descripciones de productos
Parker Denison M4C055-1A00A102 Motor de paleta hidráulica
Todos los productos Hyleman son completamente equivalentes e intercambiables con el original.
| Montaje brida |
Peso sin conector y soporte - kg |
Momento de inercia KGM2 x 10-4 |
Opción paraentrada y salida puerto | |
| M3B | SAE J744C | SAE roscado | ||
| ISO/3019-1 SAE A | 8,0 | 3,0 | SAE 4 BOLTS J718C ISO/DIS 6162-1 - 3/4 " | |
| BSPP enhebrado | ||||
| M4C | SAE J744C | 15,4 | 7,9 | SAE roscado |
| ISO/3019-1 SAE B | SAE 4 BOLTS J718C ISO/DIS 6162-1 - 1 " | |||
| M4D | SAE J744C | 27,0 | 21,8 | SAE roscado |
| ISO/3019-1 SAE C | SAE 4 BOLTS J718C ISO/DIS 6162-1 - 1.1/4 " | |||
| M4E | SAE J744C | 45,0 | 58,5 | SAE roscado |
| ISO/3019-1 SAE C | SAE 4 BOLTS J718C ISO/DIS 6162-1 - 2 " |
|
Serie |
Tamaño |
Tamaño del anillo |
Teórico Desplazamiento Vi |
Teorético Esfuerzo de torsión T |
Fuerza en 100 rpm |
Esfuerzo de torsión T |
Fuerza P |
|
n = 2000 rpm en Δ p 175 bar |
|||||||
|
CM/Rev. |
Nm/bar |
KW/Bar |
Nuevo Méjico |
KW |
|||
|
M3 |
B |
009 |
9,2 |
0,130 |
0,0015 |
19,7 |
4,3 |
|
012 |
12,3 |
0,186 |
0,0020 |
26,7 |
5,8 |
||
|
018 |
18,5 |
0,304 |
0,0032 |
46,6 |
10,0 |
||
|
027 |
27,8 |
0,485 |
0,0050 |
77,4 |
16,3 |
||
|
036 |
37,1 |
0,624 |
0,0065 |
102,0 |
21,1 |
||
|
M4 |
C |
024 |
24,4 |
0,39 |
0,0040 |
60,5 |
12,7 |
|
027 |
28,2 |
0,45 |
0,0047 |
70,0 |
14,7 |
||
|
031 |
34,5 |
0,55 |
0,0058 |
86,8 |
18,0 |
||
|
043 |
46,5 |
0,74 |
0,0078 |
120,0 |
25,1 |
||
|
055 |
58,8 |
0,93 |
0,0098 |
149,0 |
31,2 |
||
|
067 |
71,1 |
1,13 |
0,0120 |
170,0 |
35,6 |
||
|
075 |
80,1 |
1,27 |
0,0130 |
198,0 |
41,5 |
||
|
D |
062 |
65,1 |
1,04 |
0,0110 |
165,0 |
34,6 |
|
|
074 |
76,8 |
1,22 |
0,0130 |
200,0 |
41,9 |
||
|
088 |
91,1 |
1,45 |
0,0150 |
236,0 |
49,4 |
||
|
102 |
105,5 |
1,68 |
0,0180 |
264,0 |
55,3 |
||
|
113 |
116,7 |
1,86 |
0,0200 |
300,0 |
62,8 |
||
|
128 |
132,4 |
2,11 |
0,0220 |
340,0 |
71,2 |
||
|
138 |
144,4 |
2,30 |
0,0240 |
372,0 |
77,9 |
||
|
E |
153 |
158,5 |
2,52 |
0,0260 |
398,0 |
83,4 |
|
|
185 |
191,6 |
3,05 |
0,0320 |
484,0 |
101,4 |
||
|
214 |
222,0 |
3,53 |
0,0370 |
567,0 |
118,8 |
||
|
Características: M3B, M3B1, M4C, M4C1, M4SC, M4SC1, M4D, M4D1, M4SD, M4SD1, M4E, M4E1, M4SE, M4SE1, M4DC, M4DC1, M4SDC, M4SDC, M4 M4 M4 Denison Motor Vane Motor, el rango de desplazamiento, debajo, el siguiente rango de desplazamiento: 009 012 018 027 036 024 027 031 043 055 067 075 062 074 088 102 113 128 138 153 185 214. La alta eficiencia de torque de arranque de los motores de tipo de veleta los hace especialmente aplicables en unidades de cabrestante de montaje de carga, unidades de swing y unidades de propulsión. Esta alta eficiencia de par de arranque permite que el motor se inicie bajo una alta carga sin exceso de presión, idiotas y altas cargas de potencia instantánea. Detalles sobre la elección del líquido hidráulico La elección correcta del fluido hidráulico requiere el conocimiento de la temperatura de funcionamiento en relación con la temperatura ambiente: en A Circuito cerrado La temperatura del circuito. Se debe elegir el fluido hidráulico para que la viscosidad operativa en el rango de temperatura de funcionamiento esté dentro del rango óptimo - el área sombreada del diagrama de selección. Recomendamos que la clase de viscosidad más alta se seleccione en cada caso. Ejemplo: a una temperatura ambiente de x grado se establece una temperatura de funcionamiento de 60 grados. En el rango de viscosidad operativo óptimo (área sombreada) esto corresponde a las clases de viscosidad VG 46 o VG 68; Para ser seleccionado: VG 68.tenga en cuenta: La temperatura de drenaje del caso, que se ve afectada por la presión y la velocidad, siempre es más alta que la temperatura del circuito. En ningún momento del sistema puede ser la temperatura superior a 115 grados. Si las condiciones anteriores no se pueden mantener debido a los parámetros operativos extremos, consulte. Fluido hidráulico Antes de comenzar la planificación del proyecto, consulte nuestras hojas de datos RE 90220 (aceite mineral), RE 90221 (fluidos hidráulicos ambientalmente aceptables) y RE 90223 (HF Fluidos hidráulicos) para obtener información detallada sobre la elección de líquidos hidráulicos y condiciones de aplicación. La bomba variable A4VG no es adecuada para la operación con HFA, HFB y HFC. Si se utilizan HFD o fluidos hidráulicos ambientalmente aceptables, se deben observar las limitaciones con respecto a los datos técnicos y los sellos mencionados en RE 90221 y RE 90223. Al ordenar, indique el fluido hidráulico usado. |
Modelo disponible:
M3B, M4C, M4D, M4E
Fotos detalladas



Códigos de pedido

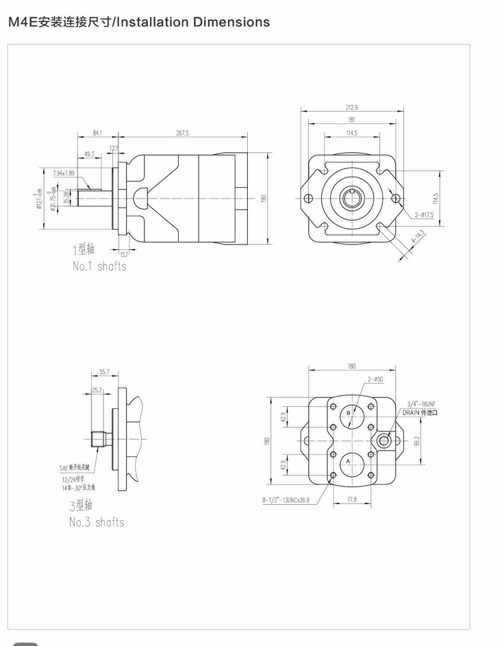
Tamaños de instalación


Aplicación y mantenimiento:


Perfil de la empresa

Ningbo Hyleman Hydraulics Co., Ltdes una empresa científica e innovadora que integra I + D, producción, ventas y servicio de bombas hidráulicas de calidad, motores, válvulas y otros productos hidráulicos de calidad.
Hyleman proporciona principalmente a Rexroth A4VSO, A10VSO, A4VG, A7VO, A11VO y A2FO Series High - Piston Piston Bombs, Rexroth PGH3, PGH4 y PGH5 Series High - Bombas de engranajes de presión, A4VM, A6VM, A2FM y A4fm High; BM3, BM4, BM5, BM6 y otros motores de órbita. A través de la perfección e innovación de los productos de la serie Hyleman, los productos de la serie Hyleman no solo pueden reemplazar perfectamente los productos originales, sino también darse cuenta del intercambio y la conexión de todas las piezas. Además, tiene un ruido más bajo, una mayor eficiencia de volumen y una vida útil más larga, para superar por completo la calidad de la fábrica original y resistir la prueba severa del mercado, se ha exportado a más de 70 países y regiones en todo el mundo.
Los productos de la serie Hyleman se utilizan ampliamente en maquinaria de ingeniería, maquinaria de plástico, maquinaria metalúrgica, maquinaria de saneamiento ambiental, maquinaria minera, maquinaria marina, maquinaria de envasado, maquinaria portuaria y varios equipos hidráulicos, que son muy elogiados por los clientes.
Hyleman tiene el equipo de procesamiento CNC avanzado mundial, centros de mecanizado vertical y horizontal, altura - Precision Double - molido lado, molienda de ritmo, molienda de curvas y centros de mecanizado automáticos -}. Con 12 laboratorios de pruebas independientes, los productos se han inspeccionado exhaustivamente antes del envío para garantizar que los productos de la serie Hyleman logren defectos de alta precisión, alta calidad y cero.
"Optimizar el rendimiento de los productos hidráulicos, mejorar la calidad de los productos hidráulicos y liderar la mejora integral del consumo de productos hidráulicos" no es solo la responsabilidad y la misión de Hyleman, sino también el sueño chino de Hyleman. Hyleman está dispuesto a trabajar con personas de Insight para hacer esfuerzos incesantes para realizar este sueño.
¡Bienvenido cálidamente a todos los amigos para visitar la hermosa ciudad portuaria - ningbo para discutir la cooperación y buscar el desarrollo común con Hyleman!
Exposiciones

Paquetes


Nuestras ventajas
Por qué elegirHyleman?
1. CALIDAD DE
Depende de 15 años de experiencia en el diseño, la investigación, el desarrollo y la fabricación de bombas hidráulicas, tenemos una calidad de alta calidad en comparación con los fabricantes nacionales y en el extranjero, todos nuestros productos tienen un tiempo de garantía de 1 año.
2. Sistema de control de calidad estricto
Tenemos el sistema de control de calidad más estricto, todos nuestros productos se prueban 100% antes del envío y cada uno de ellos tiene un código de seguimiento para asegurarse de que tengan buena calidad para nuestros clientes.
3. Equipo de maquinaria avanzada
Todas las máquinas que tenemos son nuevas máquinas CNC que importamos de Alemania y Japón para alcanzar una demanda más mayor en la precisión de los productos.
4. Equipo técnico fuerte
Nuestro equipo técnico tiene más de 20 años de experiencia en Pumps Design and Engineering, nuestro ingeniero jefe tiene más de 40 años de experiencia en Pumps Design. Tenemos un equipo de investigación de 15 personas, responsable de la investigación de mejora de las bombas y el desarrollo de nuevos productos.
5. Precio competitivo
Debido a la buena gestión, nuestro precio es más competitivo que los productos originales, más razonables que la mayoría de los proveedores nacionales.
6. Tiempo de entrega rápido
Podemos enviar pequeños pedidos dentro de una semana, para grandes pedidos, como dentro de 500 PCS bombas o kits de cartucho, generalmente podemos hacer envío dentro de un mes.
7. Período de garantía
Todos nuestros productos están dentro del tiempo de garantía de 1 año después del envío de nuestra fábrica.
8. Servicio considerado
Podemos proporcionar soporte técnico en cualquier momento si nuestros clientes satisfacen algún problema durante el uso, proporcionaremos soluciones el antes del momento.
9. Estrategia de desarrollo larga
Nos gustaría establecer una relación de cooperación de estrategia de mucho tiempo con nuestros clientes, para promoverHylemanMarcen juntos, apoyen y capaciten al cliente potencial para ser nuestro agente en cada país y región de todo el mundo.
Etiqueta: Parker Denison Hydrayllic M4C/M4D/M4E Vane Motor, China Parker Denison Hydraylic M4C/M4D/M4E Fabricantes de motor de velas, proveedores, fábrica
Artículo anterior
Motor hidráulico de Parker F11 con desplazamiento fijoSiguiente artículo
EATON VICKERS M Series Vane Motor ProveedorTambién podría gustarte
Envíeconsulta













