Yuken pv2r 1. 2.3 bomba de una sola paleta
Yuken PV2R1,2.3 Bomba de paleta de desplazamiento fijo único para operación de bajo ruido
PV2R1 PV2R2 Serie PV2R3 Single y doble Yuken Hidráulico Vane Bomba
Todos los productos Hyleman son completamente equivalentes e intercambiables con el original.
Descripción de los productos
Características principales:
Bombas de intravato de alto rendimiento para maquinaria de inyección de plástico, maquinaria de zapatos, maquinaria de herramientas, maquinaria de fundición y equipo de metalurgo.
1. Las bombas de intravano con estructura de equilibrio hidráulico proporcionan un rendimiento más estable y una vida más larga ya que menos presión de la veleta en el estator.
2. El sistema de paletas de twelve proporciona pulsación de flujo de baja amplitud, lo que resulta en características de ruido de bajo sistema.
3. El desplazamiento y los ejes verosos con 4 posición opuesta diferente hacen que el funcionamiento sea más flexible.
4. El cartucho es independiente del eje de transmisión, lo que permite un fácil servicio sin volver a caltar la bomba de su montaje.
Bomba de la serie PV2R:
Bomba individual:
PV2R1, 4, 6, 8, 10, 12, 14, 17, 19, 23, 25, 28, 31
PV2R2, 26, 33, 41, 47, 53, 59, 65
PV2R3, 52, 60, 66, 76, 94, 116, 125, 136
Bomba doble:
PV2R21, PV2R31, PV2R32
Uso:
La bomba de paleta hidráulica se usa ampliamente en equipos pesados, maquinaria minera, maquinaria de caucho y plástico, maquinaria de zapatos, maquinaria de fundición, maquinaria metalúrgica, maquinaria de corte de metal y otros tipos de sistemas hidráulicos.
| Bomba de la serie PV2R | ||||
| Bomba individual | Bomba doble | |||
| modelo | Falta de autorización | modelo | Falta de autorización | Desafiamiento de la bomba de extremo de la cubierta |
| de bomba de extremo del eje | ||||
| PV2R1 | 4,6,8,10,12,14, | PV2R21 | 26,33,41,47, | 4,6,8,10,12,14, |
| 17,19,23,25,28,31 | 53,59,65 | 17,19,23,25,28,31 | ||
| PV2R2 | 26,33,41,47,53, | PV2R31 | 52,60,66,76,94, | 4,6,8,10,12,14, |
| 59,65 | 116,125,136 | 17,19,23,25,28,31 | ||
| PV2R3 | 52,60,66,76,94, | PV2R32 | 52,60,66,76,94, | 26,33,41,47, |
| 116,125,136 | 116,125,136 | 53,59,65 | ||
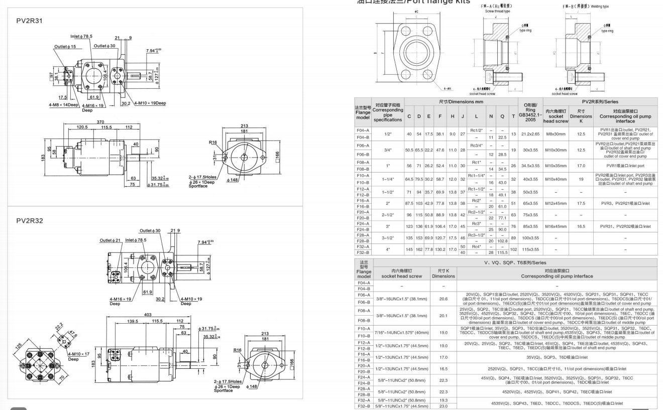
Fotos detalladas



Parámetros de productos



Modelo disponible:
PV2R1 PV2R2 PV2R3 PV2R4 PV2R12 PV2R13 PV2R23 PV2R33 PV2R14 PV2R24 PV2R34 PV2R24A PV2R34A
Perfil de la empresa

Ningbo Hyleman Hydraulics Co., Ltdes una empresa científica e innovadora que integra la I + D, la producción, las ventas y el servicio de bombas hidráulicas de alta calidad, motores, válvulas y otros productos hidráulicos.
Hyleman proporciona principalmente las bombas de pistón de alta presión de A4VSO, A10VSO, A4VG, A7VO, A11VO y A2FO, bombas de engranajes de alta presión de alta presión REXROTH PGH3, PGH4 y PGH5, A4VM, A6VM, A2FM y A4FM Series Piston Motors; BM3, BM4, BM5, BM6 y otros motores de órbita. A través de la perfección e innovación de los productos de la serie Hyleman, los productos de la serie Hyleman no solo pueden reemplazar perfectamente los productos originales, sino también darse cuenta del intercambio y la conexión de todas las piezas. Además, tiene un ruido más bajo, una mayor eficiencia de volumen y una vida útil más larga, para superar por completo la calidad de la fábrica original y resistir la prueba severa del mercado, se ha exportado a más de 70 países y regiones en todo el mundo.
Los productos de la serie Hyleman se utilizan ampliamente en maquinaria de ingeniería, maquinaria de plástico, maquinaria metalúrgica, maquinaria de saneamiento ambiental, maquinaria minera, maquinaria marina, maquinaria de envasado, maquinaria portuaria y varios equipos hidráulicos, que son muy elogiados por los clientes.
Hyleman tiene el equipo de procesamiento CNC avanzado mundial, centros de mecanizado vertical y horizontal, molienda de alta precisión de doble cara, molienda de ritmo, molienda de curva y centros de mecanizado ealomáticos completos. Con 12 laboratorios de pruebas independientes, los productos se han inspeccionado exhaustivamente antes del envío para garantizar que los productos de la serie Hyleman logren defectos de alta precisión, alta calidad y cero.
"Optimizar el rendimiento de los productos hidráulicos, mejorar la calidad de los productos hidráulicos y liderar la mejora integral del consumo de productos hidráulicos" no es solo la responsabilidad y la misión de Hyleman, sino también el sueño chino de Hyleman. Hyleman está dispuesto a trabajar con personas de Insight para hacer esfuerzos incontables para realizar este sueño.
¡Bienvenido calurosamente a todos los amigos para visitar la hermosa ciudad portuaria - Ningbo para discutir la cooperación y buscar el desarrollo común con Hyleman!
Exhibición

Paquetes

Nuestras ventajas
Por qué elegirHyleman?
1. CALIDAD DE
Depende de 15 años de experiencia en el diseño, la investigación, el desarrollo y la fabricación de bombas hidráulicas, tenemos una calidad de alta calidad en comparación con los fabricantes nacionales y en el extranjero, todos nuestros productos tienen un tiempo de garantía de 1 año.
2. Sistema de control de calidad estricto
Tenemos el sistema de control de calidad más estricto, todos nuestros productos se prueban 100% antes del envío y cada uno de ellos tiene un código de seguimiento para asegurarse de que tengan buena calidad para nuestros clientes.
3. Equipo de maquinaria avanzada
Todas las máquinas que tenemos son nuevas máquinas CNC que importamos de Alemania y Japón para alcanzar una demanda más mayor en la precisión de los productos.
4. Equipo técnico fuerte
Nuestro equipo técnico tiene más de 20 años de experiencia en Pumps Design and Engineering, nuestro ingeniero jefe tiene más de 40 años de experiencia en Pumps Design. Tenemos un equipo de investigación de 15 personas, responsable de la investigación de mejora de las bombas y el desarrollo de nuevos productos.
5. Precio competitivo
Debido a la buena gestión, nuestro precio es más competitivo que los productos originales, más razonables que la mayoría de los proveedores nacionales.
6. Tiempo de entrega rápido
Podemos enviar pequeños pedidos dentro de una semana, para grandes pedidos, como dentro de 500 bombas PC o kits de cartuchos, generalmente podemos hacer envío dentro de un mes.
7. Período de garantía
Todos nuestros productos están dentro del tiempo de garantía de 1 año después del envío de nuestra fábrica.
8. Servicio considerado
Podemos proporcionar soporte técnico en cualquier momento si nuestros clientes satisfacen algún problema durante el uso, proporcionaremos soluciones el antes del momento.
9. Estrategia de desarrollo largo
Nos gustaría establecer una relación de cooperación de estrategia de mucho tiempo con nuestros clientes, para promoverHylemanMarcen juntos, apoyen y capaciten al cliente potencial para ser nuestro agente en cada país y región de todo el mundo.
Etiqueta: Yuken pv2r 1. 2.3 bomba de una sola paleta, China Yuken Pv2r 1. 2.3 Fabricantes de bombas de una sola paleta, proveedores, fábrica
Artículo anterior
Yuken Double Vane Bombas PV2R24Siguiente artículo
Disponible para SQP21-10-2-1DC-18 bajo ruidoTambién podría gustarte
Envíeconsulta














